SiT95210 评估板:高效评估四路 PLL 频率转换器与抖动清除器
1 、简介
SiT95210 评估板设计用于评估 SiT95210 四路 PLL 频率转换器、抖动清除器。

图 1. SiT95210 EVK 电路板
2、 特性
1) 支持 SiT95210 部件
2) 支持宽频输出
a. 0.5 Hz 至 2.94912 GHz 的差分输出
b. 0.5 Hz 至 250 MHz 的单端输出
c. 8 KHz 至 2.1 GHz 的差分输入。
d. 8 KHz 至 250 MHz 的单端输入
e. 支持多个 XO
3) 支持 LVPECL、CML、HCSL、LVDS 和 LVCMOS 输出标准
4) 由 USB 端口或外部电源供电
5) 电源 LED 状态指示灯
6) 用于输入时钟、输出时钟和外部参考时钟/XO 输入时钟的 SMA 连接器
7) 板载 LDO,带用于所有电源的可配置跳线
8) 通过 MS430 MCU 进行 I2C/SPI 通信
9) 通过 USB 配置 EVK 的 SiTime 时钟图形用户界面
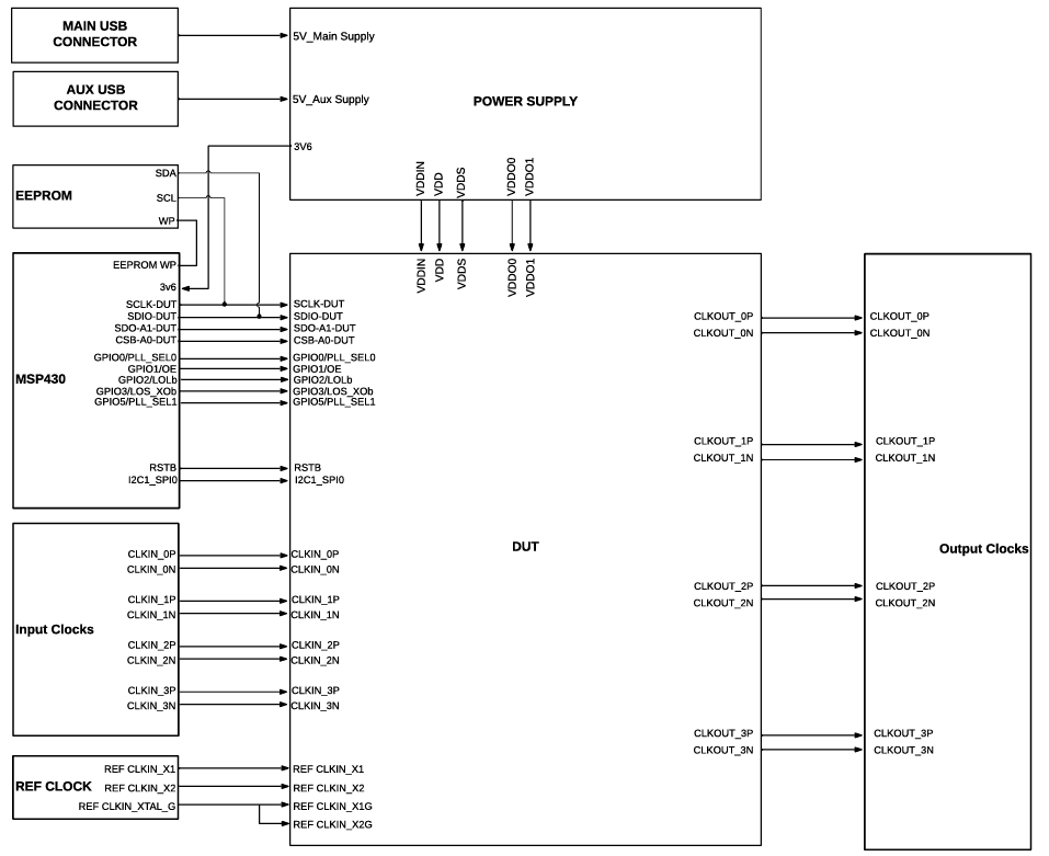
3、 顶层框图
以下是 SiT95210 EVK 的顶层框图。评估板可通过主 USB 连接器连接到 PC,用于编程、控制和监控。板载 MSP430 MCU 可使用 SiTime Clock GUI 与 SiT95210 进行 I2C/SPI 通信。
更多信息,请参阅 SiT95210 Clock GUI 手册和用户指南。

图 2. 顶层框图
3.1. EVB 入门指南
使用连接到安装有 SiTime Clock GUI 的 PC 的 USB 电缆提供的 5 V 电源为 SiT95210 EVB 供电。板上所有电源均由板上 USB 接口供电。SiT95210 EVK 上有 2 个 USB 连接器。J1 是主 USB 接口,用于芯片通信,同时为芯片的所有其他子系统供电。
J4 是一个额外的 USB 连接器,如果从 J1 供电受限(J1 受限于 ~500 mA,因为它来自 PC 的 USB 2.0),可用于为输出驱动器电源 (ODR_SUPPLY_x) 供电。为了单独从 J4 连接器为输出驱动器供电,请将 J2 上的默认跳线配置从 2 改为 3,并连接至 J3 和 J2 的第 2 针。J4 默认未安装。
外部电源驱动程序。要连接外部电源,请将 J2 上的默认 EVK 配置从 2 至 3 改为 1 至 2。
外部电源可连接至 H1 2 针接头(参见第 7 节)
EVK 板上的默认跳线配置已经完成(参见表 1)。
1) 启动 SiTime Clock GUI 软件。(更多信息请参阅《SiTime Clock GUI 用户指南》)。
2) 默认输出驱动器配置为 LVDS,输出驱动器电源配置为 3.3 V。
3) 默认电源为 VDD =1.8 V 和 VDDIN = 3.3 V。
4) 通过 SiTime SiT95210 Clock GUI 进行配置后,EVK 上的 SiT95210 芯片可配置为通过 I2C/SPI 进行通信。

图 3. EVB 启动器连接图
4、 跳线默认列表
表 1. SiT95210 跳线默认列表

5、 状态 LED
表 2. 状态 LED 指示灯

图 4. 状态 LED 指示灯
6、 I2C/SPI 板载/外部配置
SiT95210 芯片可通过 SiTime SiT95210 Clock GUI 配置为与 I2C 和 SPI 4 Wire 通信。默认 EVK 配置将启用芯片的 I2C 通信。
若要改为 SPI 4 Wire 通信,最好移除跳线 J9 和 J16。
外部硬件也可通过 J31 连接器与 SiT95210 芯片进行 I2C/SPI 通信。使用外部连接选项时,请移除 R267、R293、R295 和 R297,并焊接 R292、R294、R296 和 R298(各 0 Ω),以启用使用 J31 连接芯片的外部接口。
7、SiT95210 EVK 板电源连接详情
EVK 上的电源默认配置为 3.3 V,但 VDD 电源除外,它被设置为 1.8 V。
在旁路所有电源的板载稳压器后,还可连接外部电源。
请参阅 SiT95210 数据表,配置各种电源轨的电源电压。
7.1. VDDIN 和 VDDOX 电源稳压器

图 5. VDDIN 和 VDDoX 电源的稳压器
注:要更改 LDO 输出电源电压,请将图 5 中相应的跳线(如 J70)连接至以下设置:
1) 3.3 V - 将 3 针跳线从 1 连接到 2。
2) 2.5 V - 将 3 针跳线从 2 连接到 3。
3) 1.8 V - 移除跳线。
7.2. VDD 电源稳压器

图 6. VDD 电源稳压器
注:要更改 VDD(例如 J72)电源,请将跳线连接至以下设置:
1) 3.3 V - 将 3 针跳线从 2 连接到 3。
2) 2.5 V - 将 3 针跳线从 1 连接到 2。
3) 1.8 V - 移除跳线。
VDD 默认配置为 1.8 V。
7.3. GPIO_VDD 电源稳压器

图 7. GPIO_VDD 电源的电源调节器
注:要更改 GPIO_VDD(例如 40)电源,请将跳线连接至以下设置:
1) 3.3 V - 将 3 针跳线从 2 连接至 3。
2) 2.5 V - 将 3 针跳线从 1 连接到 2。
3) 1.8 V - 移除跳线。
GPIO_VDD 配置为 1.8 V。
根据 SiT95210 GUI 配置,VDDIO 电源(IO 轨道的内部电源)可配置为 VDD(1.8V) 或 VDDIN(3.3V)。当 VDDIO 电源配置为 VDDIN(3.3V)时,GPIO_VDD 电源跳线 J40 需从开路改为 1-2。
8 、外部时钟基准输入(X1/X2)
SiT95210 EVB 焊接有 SiT30100 振荡器(Y4),用于为 SiT95210 提供稳定的参考时钟。
EVB 也可以使用 SMA 连接器(J15)连接外部参考时钟。
从 SiT30100 振荡器转换到外部参考时钟配置时,卸载 R310(0 Ω)并安装 C149(1uF)。
有关 XO 通路连接选项,请参阅 SiT95210 数据表。

图 8. 外部基准连接
9 、输入时钟电路(INx_P/INx_N)
SiT95210 EVB 有 4 个差分输入端和 8 个单端输入端(IN0P/IN0N、IN1P/IN1N、IN2P/IN2N、IN3P/IN3N),用于接收外部时钟输入信号。输入时钟终止安排如图 9 所示。所有输入时钟均为交流耦合,默认为单端 50 Ω 终端。输入可根据需要配置为单端(AC/DC)或差分(AC/DC)。
输入时钟可配置为:
1) 单端交流耦合(使用默认的 EVK 输入终端连接)
2) 单端直流耦合(将 C130(1uF)改为 0 欧姆短路 - 如果单端外部信号源无法驱动 50 欧姆负载,也可以移除 R4 和 R18)
3) 差分直流耦合(除了默认的 EVK 输入端接外,还可连接 R62)
4) 差分交流耦合(使用默认 EVK 输入终端连接)
有关单端和差分输入终端连接的信息,请参阅 SiT95210 数据表。

图 9. 输入时钟终止电路
10、 输出时钟电路(OUTxP/OUTxN)
SiT95210 EVK 有 2 个差分输出,默认情况下与各自的 SMA 连接器交流耦合。输出时钟终端如图 10 所示。
如果需要直流耦合,可以用 0 欧姆电阻代替交流耦合电容。
有关输出终端连接的信息,请参阅 SiT95210 数据表。

图 10. 输出时钟终止电路
11、 GPIO 配置
芯片上的 GPIO 默认由板载 MSP430 配置,可通过 GUI 控制台将状态设置为高电平或低电平(请参阅《SiTime SiT95210 时钟 GUI 用户指南》)。
从芯片配置的 GPIO 状态也可通过默认 EVK 配置中的 MSP430 读回。还可以使用 DIP_SPDT(J37)开关控制状态,但在使用 DIP_SPDT 开关控制/设置芯片上的 GPIO 电压时,应移除 MCU 端 GPIO 电阻,以确保 GPIO 总线上没有竞争。
例如,如果图 11 中的 GPIO1/OEB 需要由 J104 控制,则需要移除 R204。可以使用靠近 J37 开关的伯格引脚连接器手动测量每个 GPIO 的状态

图 11. GPIO 控制状态
12、 EEPROM 配置
SiT95210 EVK 板载 EEPROM,与芯片共享相同的 I2C 总线。可以从外部或使用板载 MSP430 对 EEPROM 进行刷新,并可进一步从芯片回读 EEPROM 内容。
有关 EEPROM 配置,请参阅 SiT95210 数据表。
13、 MSP430 编程说明
SiT95210 EVK 使用 MSP430 通过 I2C/SPI 与芯片通信,还用于配置/读取芯片的 FLEXIO 状态。MSP430 固件也受版本控制,并闪存到 MSP430,以处理 EVK 上的多种功能。
在 MSP430 需要固件升级的罕见情况下,请按照以下步骤升级 MCU 固件:
1) 可从以下路径下载 HOST_USB 软件:
下载软件:
https://software-dl.ti.com/msp430/msp430_public_sw/mcu/msp430/MSP430Ware/3_80_09_03/ _FDS.html
MSP430 编程步骤
2) 从 C: imspMSP430Ware_3_80_07_00usblib430Host_USB_SoftwarePython_Firmware_Upgrader 打开 GUI

3) 使用微型 USB 电缆将电路板连接至电源和 USB。同时按下 “SW1 ”和 “SW2 ”复位芯片。
4) 这将使 MSP430 进入编程模式。
5) 如果未检测到 MSP430,则会出现如下所示的图形用户界面:

6) 如图所示,如果未检测到设备(MSP430),则重置 MCU 并重新扫描 HID 总线:

7) 如果设备(MSP430)处于编程模式,则显示为准备就绪,如下图所示:

8) 进入 File-> Open User Firmware(文件->打开用户固件)选项。打开放置固件文件的位置。

9) 浏览固件路径并选择文件。

10) 选择固件。工具应将固件加载到 MCU 中,并显示完成信息,如图所示:

14 、SiTime 时钟图形用户界面安装和 EVB 配置
SiTime SiT95210 时钟图形用户界面提供了在实验室验证芯片性能的简便界面。GUI 使用 MSP430 微控制器在电路板上进行 USB 至 I2C/SPI 通信,在安装 GUI 时还配置了 MSP430 MCU 相关软件驱动程序。
详细安装和 EVB 配置说明请参阅 SiTime SiT95210 时钟 GUI 用户指南。
了解更多SIT95210的信息
了解更多时钟发生器的信息
了解更多网络同步/去抖时钟的信息
了解更多MEMS振荡器选型手册的信息

厂商技术支持
收藏网址
400-888-2483






