一、SiTime MEMS 硅晶振产品实物丝印 MARK(LOT NUMBER)说明
半导体厂商生产制造每一批产品的时候都会有一个生产号码,用来追溯和核对该批产品的生 产历史。Lot Number 在芯片流通过程中,是非常重要的记录信息,在芯片使用后是做售后 服务最主要的凭证之一。Lot Number 对原厂追溯和审查该批元器件的生产信息,确认产品 流向有着非常重要的作用。
不同的厂商在使用 Lot Number 可能会有差别,往往还附加了自己的规则,可能会有同一元 件丝印代码不同,或不同元件使用同一丝印代码的情况发生。
SiTime MEMS硅晶振采用可编程制程,先对不同产品系列和不同尺寸的空白片进行封装, 空白片封装时就会预先进行 LOT 丝印,然后等待客户订单进入系统后,再按照客户型号进 行软件编程生产。
比如 SIT8008 这个系列支持 1-110MHz 之间任意频率,同一 Lot Number 的 SIT8008 系列空 白片可能会编程为多种型号和频率,厂商封装空白片进行 LOT 丝印时也不知道同一 Lot Number 的空白片最终会编程为哪些型号,所以不能以 Lot Number 来推断或关联型号是什么。
反之,某个型号本次出货的 Lot Number 也不能判定为下次该型号还是同一个 Lot Number , 因为有可能下次同一系列白片封装时会换不同生产线或工厂,从而生成不同 Lot Number 。 SiTime MEMS 硅晶振丝印 MARK 是由五位字母加数字的组合,其中首字母代表产地工 厂,后四位代表原厂序列号。
二、MEMS硅晶振封装标记说明
不同封装尺寸的详细机械尺寸在数据表中以封装外形图的形式提供。
1、封装标记详情 - 标准标记
所有 SiTime 产品的标准标记如下所示。它包含一个组装位置代码和批次代码,以便追溯制造来源。此标记用于所有样品、小批量和大批量生产订单。标记方法为激光标记。

2.0 x 1.6 mm 封装尺寸标记图

其他封装标记图
在上述图表中,展示了“标准标记”:
“Y”表示组装标识符:
以 A 或 Z 作为首字母表示供应商 Carsem
以 B 或 Y 作为首字母表示供应商 UTAC
以 C 或 X 作为首字母表示供应商 ASE
以 E 或 V 作为首字母表示供应商 KDS
以 G 或 T 作为首字母表示供应商 HANA
X、Y、Z、V、T 字符用于标记条件放行部件,此时完整资质未完成。
“XXXX”表示制造批次代码的四个字母数字字符,不含任何破折号、句点或符号。
对于 QFN 2.0 x 1.2,以下是识别组装地点的标记要求。
- 第 1 行:批次代码的最后 4 位数字(最多 4 个字符)
- 第 2 行:组装地点(下划线) - 取决于组装地点。
- 在第 2 个数字下划线表示供应商 Carsem
- 在第 3 个数字下划线表示供应商 UTAC
- 在第 4 个数字下划线表示供应商 HANA
顶部标记尺寸(另有不同说明的除外)
- 所有尺寸均以mm为单位
- 字体类型:LLGOTHIC_ STD 或 EO135P 或 EO145
- 公差:
尺寸 X、X1、Y 和 Y1:±0.25 mm
尺寸 Y2:±0.1 mm
字符间距:±0.1 mm
字符高度/宽度:±0.1 mm
引脚 1 点直径:±0.1 mm
所有其他公差:±0.20 mm

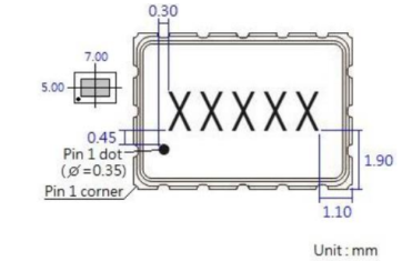
图 1:标准标记尺寸 - 5.0 x 2.0、3.2 x 2.5、5.0 x 3.2、7.0 x 5.0 mm,以及 SOT23 封装

图2:2.0 x 1.6 mm封装的标准打标尺寸

表1:封装类型的打标尺寸

图3:2.0 mm x 1.2 mm封装的标准打标尺寸

表2: SMD封装类型 (2.0 mm x 1.2 mm) 的标记尺寸

图4:WLCSP封装 (1.5 mm x 0.8 mm) 的标准标记尺寸

表3:WLCSP封装 (1.5 mm x 0.8 mm) 的标记尺寸

图5:陶瓷封装 (5.0 mm x 3.2 mm) 的标准标记尺寸

图6: 翡翠封装 (9.0 mm x 7.0 mm) 的标记尺寸

表 4:翡翠封装(9.0 mm x 7.0 mm)的标记尺寸
公差:
字体大小:+/- 0.10 mm;标记偏移:+/- 0.25 mm
第 1 行:CCCCCCCC - 这是频率标记请求(如果不需要则为空)
第 2 行:LLLLL - 5 位批次代码标记
第 2 行:XXXX - 生产面板的零件序列号
第 3 行:引脚 1 点和“SiTime”徽标

图 7:级联封装(QFN 9.0 mm x 9.0 mm)的标记尺寸
注意:第 1 行和第 2 行的标记将在测试后进行,第 3 行和徽标 1 的标记将在组装过程中进行。

表 5:ASSY 标记

表 6:FT 后标记
其中:
第 1 行:“SiTXXXXXXX”,零件编号的第 1 至 10 个字符
第 2 行:“XXXXXX”,零件编号的第 11 至 16 个字符,不包括卷带和卷盘后缀
第 3 行:“LLLLL”,5 位批次代码标记
第 4 行:引脚 1 点和“SiTime”徽标
所有尺寸均以mm为单位。
字体类型:LLGOTHIC_STD 或 EO135P 或 EO145
除非另有说明,字体大小公差:+/- 0.10 mm
顶部(1)标记偏移公差:(+/- 0.25 mm)

图 8:陶瓷封装(7.0 mm x 5.0 mm)的标准标记尺寸

表 7:陶瓷封装(7.0 mm x 5.0 mm)的标记尺寸
sitimechina.com ©北京晶圆电子有限公司 版权所有 京ICP备13034140号-2