SiTime抗冲击宽温振荡器SiT8918替代Epson SG7050CAN系列说明与比较
1、SG7050CAN和SiT8918规格参数对比
| SG7050CAN | SiT8918 | |
| 类型 | 普通振荡器 | 抗冲击宽温振荡器 |
| 封装尺寸 |
7.0mm x 5.0mm | 2.0mm x 1.6mm 2.5mm x 2.0mm、3.2mm x 2.5mm、 5.0mm x 3.2mm、7.0mm x 5.0mm |
| 温度范围 |
-20℃ ~ +70℃、 -40℃ ~ +85℃、 -40℃ ~ +105℃ | -40℃ ~ +105℃、 -40℃ ~ +125℃ |
| 电源电压 | 1.8V - 3.3V、2.5V - 3.3V | 1.8V、2.5V、2.8V、3.0V、3.3V、 2.25V - 3.63V |
| 精度 | ±25ppm、±50ppm | ±20ppm、±25ppm、±30ppm、±50ppm |
| 信号模式 | LVCMOS | LVCMOS |
| 频率范围 | 4MHz、8MHz、10MHz、12MHz、12.288MHz 14.7456MHz、16MHz、20MHz、24MHz、24.576MHz 25MHz、26MHz、27MHz、32MHz、33.3MHz 33.333MHz、40MHz、48MHz、50MHz、72MHz | 1MHz - 110MHz之间的频率 可精确到小数点后6位,详情见SiT8918命名规则图 |
2、SG7050CAN和SiT8918脚位定义
SG7050CAN脚位定义
SiT8918脚位定义
如上图所示,SG7050CAN和SiT8918在脚位定义一致.
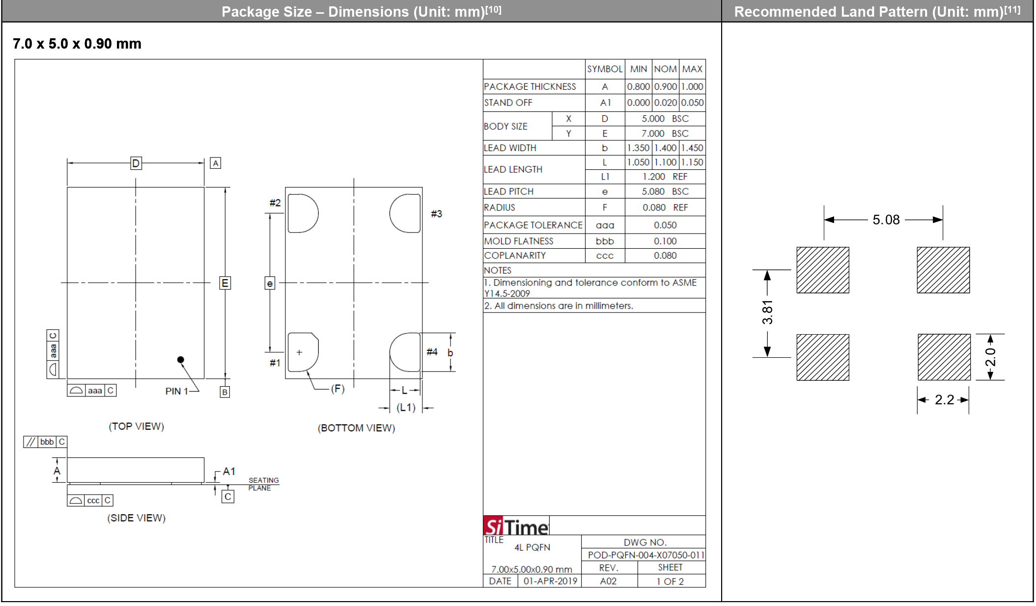
3、SG7050CAN和SiT8918封装尺寸及焊盘位置
SG7050CAN封装尺寸及焊盘位置
SiT8918 7050封装尺寸及焊盘位置
如上图所示:SiT8918 和SG7050CAN 封装尺寸及焊盘位置一致.
4、对比SG7050CAN和SiT8918型号命名,可以自由选择出替代完整型号
SG5032CAN型号命名规则
SiT8918型号命名规则、SiT8918支持的频率
综上所述,SiT8918与SG7050CAN在功能参数、封装尺寸上基本一致,可以替代。
更多SiTime晶振替代Epson产品对比表如下,请参考:
| Epson | SiTime |
| SG2016CAN | SiT8918 |
| SG-210STF | SiT8918 |
| SG3225CAN | SiT8918 |
| SG5032CAN | SiT8918 |
| SG7050CAN | SiT8918 |
| SG5032CBN | SiT8209 |
| SG7050CBN | SiT8209 |
| SG2016CAA | SiT8924 |
| SG2520CAA | SiT8924 |
| SG-210SCBA | SiT8924 |
| SG-210SDBA | SiT8924 |
| SG-210SEBA | SiT8924 |
| SG-8101CGA | SiT8924 |
| SG3225EAN | SiT9121/SiT9122 |
| SG5032EAN | SiT9121/SiT9122 |
| SG7050EAN | SiT9121/SiT9122 |
| SG3225VAN | SiT9121/SiT9122 |
| SG5032VAN | SiT9121/SiT9122 |
| SG7050VAN | SiT9121/SiT9122 |
| SG-8018CG | SiT8918/SiT8919 |
| SG-8018CE | SiT8918/SiT8919 |
| SG-8018CB | SiT8918/SiT8919 |
| SG-8018CA | SiT8918/SiT8919 |
| SG-8101CG | SiT8918/SiT8919 |
| SG-8101CG | SiT8918/SiT8919 |
| SG-8101CB | SiT8918/SiT8919 |
| SG-8101CA | SiT8918/SiT8919 |
| SG-9101CG | SiT9005 |
| SG-9101CE | SiT9005 |
| SG-9101CB | SiT9005 |
| SG-9101CA | SiT9005 |
| VG7050CDN | SiT3808/SiT3809 |
| VG-4231CE PSCM/ CSCM | SiT3808 |
| VG-4231CE PSBM/ CSBM | SiT3808 |
| VG-4231CE PQEM/ CQEM | SiT3808 |
| VG-4231CB | SiT3808 |
| VG3225EFN | SiT3372/SiT3373 |
| VG5032EFN | SiT3372/SiT3373 |
| VG7050EFN | SiT3372/SiT3373 |
| VG5032EDN | SiT3372 |
| VG5032VDN | SiT3372 |
| VG3225VFN | SiT3372 |
| VG5032VFN | SiT3372 |
| VG7050VFN | SiT3372 |
| VG7050EBN | SiT3372 |
了解更多MEMS振荡器选型手册的信息

厂商技术支持
收藏网址
400-888-2483






